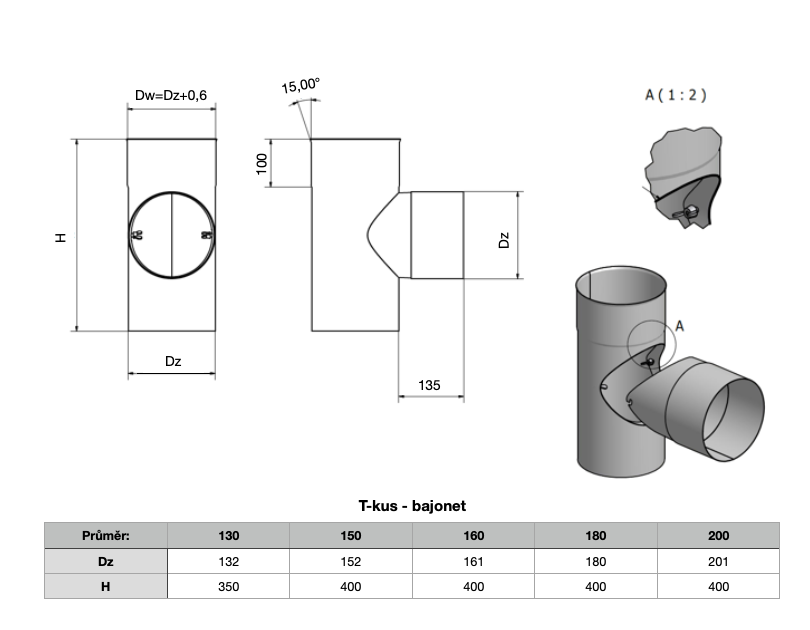
Komínový bajonetový T-kus 90° ø 150mm, tl. mat. 0,8mm
slouží jako odbočka k dopojení komínové soustavy ke kotli. Instaluje se hrdlem nahoru, kde se pokračuje příslušným počtem komínových vložek k docílení dané účinné výšky. Komínový T- kus s odnímatelným sopouchem (připevnění na bajonet) umožňuje vyvložkování bez nutnosti sekání tak velkého montážního otvoru do komínového zdiva.
Parametry:
- výška: 400 mm
- materiál: nerez
- tloušťka: 0,8mm
- třída nerezi: 1.4404
Systém Bokra STANDARD 08
je jednovrstvý nerezový komínový systém a je ideálním řešením pro rekonstrukci a vložkování stávajících komínových těles. V závislosti na tloušťce materiálu 0,8mm je tento systém určený pro odvod spalin od spotřebičů na plyn, LTO, uhlí, pelety a dřevo. Velký rozsah jmenovitých světlostí od ø 110mm až do ø 500mm a široký sortiment dílců a příslušenství umožňuje vložkovat komínová tělesa libovolných průměrů, výšek i tvarů. Jednotlivé dílce jsou podélně svařovány plazmou a ve své horní části opatřeny hrdlem výšky 100 mm, které umožňuje snadné, bezpečné a pevné spoje. Jednotlivé systémy BOKRA lze vzájemně kombinovat.
Charakteristika systému
- třída nerezi: 1.4404;
- průměr od 110mm do 500mm;
- teplota spalin max. 450°C;
- tl. stěny: 0,8mm;
- podtlakový provoz.
Použití systému
- rekonstrukce (vložkování) stavajících komínů;
- realizace kouřovodu.
Přednosti systému
- vysoká kvalita;
- dlouhá životnost;
- nízká hmotnost;
- rychlá montáž;
- široká použitelnost.












