Ke každé krbové vložce je nutné dopokoupit rámeček, popřípadě je možné dokoupit akumulační sady.
Řada vodních vložek DEFRO HOME RIVA - s postranním zasklením, je určena pro intenzivní topení
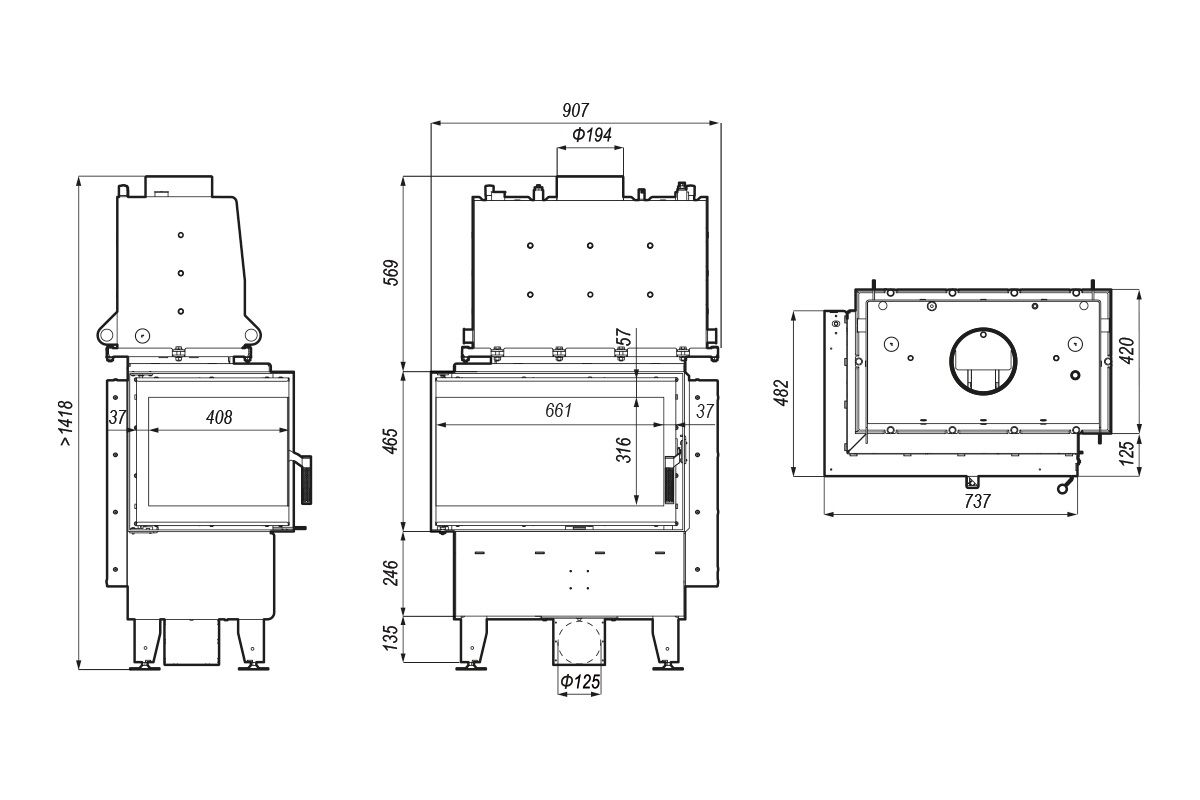
Popis krbové vložky
- demontovatelný výměník pro usnadnění transportu
- dochlazovací smyčka
- centrální přívod vzduchu - speciální box umožní připojení hadice přívodního vzduchu k vložce s možností napojení ze strany
- Multifl ow - patentované řešení dodávání vzduchu pro spalování
- propracovaný systém oplachu skla• Black line - sklo s černým potiskem/dělené sklo
- topeniště z masivního akumulačního materiálu vyztužené speciálními ocelovými drátky
- studená rukojeť - vyrobeno z nerezové oceli nejvyšší kvality, speciální perforace rukojeti umožňuje přirozené ochlazování rukojeti
- splňuje normy: Blmsch V Stufe2 a předpoklady programu Eko design
- stavitelné nožky - rozsah nastavitelných nožiček od 0 do 100 mm.
Zazdívací rámy
Moderní ocelové zazdívací rámy pro krbové vložky vám umožňují snadno dokončit spojení obestavby vložky s dvířky krbové vložky. Hlavní výhodou rámu je možnost rychlé a snadné instalace. Instalaci panelu můžete provést bez nutnosti speciálních nástrojů.
Ozdobný rám je natřen barvou odolnou vůči vysokým teplotám, odpovídající barvě vložky, což znamená, že celek dokonale ladí, vypadá esteticky a velmi elegantně.

|
Jmenovitý výkon |
16 kW |
|
Rozsah výkonu |
6,4 - 19,2 kW |
|
Výkon teplovodního výměníku |
8 kW |
|
Třída energetické účinnosti |
A+ |
|
Průměr kouřovodu |
200 mm |
|
Účinnost |
88 % |
|
Teplota spalin |
192 °C |
|
Komínový tah |
12±2 Pa |
|
Maximální délka polen |
500 mm |
|
Hmotnost |
318 kg |








