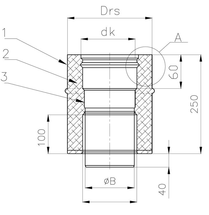
Roura se zděří pro svislý kouřovod ø 200/300 mm, IZOL 50
slouží k pohodlnému dopojení svislého kouřovodu a spotřebiče umístěného pod ním. Lze použít i v případě klasické konstrukce komínu kdy je spotřebič blízko t-kusu. Disponuje dvojitým hrdlem výšky 140mm, které umožňuje zasunutí kouřovodu (široku i zúženou stranou), lze tedy dopojit po kouři i po vodě (dle typu instalace).
Parametry:
vnitřní průměr: 200 mm
vnější průměr: 300 mm
výška: 250 mm
tl. vnitřní vložky: 0,8 mm (třída nerezi 1.4404)
tl. izolace: 50 mm
tl. vnějšího pláště: 0,5 mm (třída nerezi 1.4301) - lesk
















