Roura se zděří pro svislý kouřovod ø 160mm, IZOL EKO 08
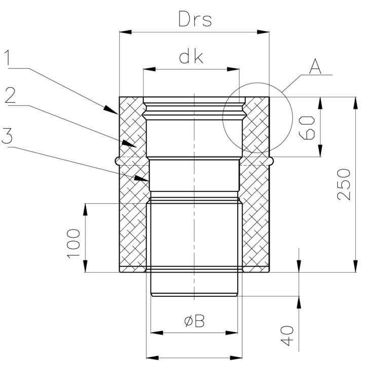
slouží k pohodlnému dopojení svislého kouřovodu a spotřebiče umístěného pod ním. Lze použít i v případě klasické konstrukce komínu kdy je spotřebič blízko t-kusu. Disponuje dvojitým hrdlem výšky 140mm, které umožňuje zasunutí kouřovodu (široku i zúženou stranou), lze tedy dopojit po kouři i po vodě (dle typu instalace).
Parametry:
vnitřní průměr: 160 mm
vnější průměr: 220 mm
výška: 250 mm
tl. vnitřní vložky: 0,8 mm (třída nerezi 1.4404)
tl. izolace: 30 mm
tl. vnějšího pláště: 0,5 mm (třída nerezi 1.4301) - lesk
Systém BOKRA IZOL EKO 08
Třísložkový nerezový komínový systém je ideálním řešením pro výstavbu nových komínů. Komínové díly se skládají z vnitřní nerezové vložky tloušťky 0,8mm, ta je izolována speciální minerální vlnou tloušťky 30mm a opláštěná nerezovým plechem tloušťky 0,5mm s vysoce lesklým povrchem. Tento systém je určený pro odvod spalin od spotřebičů na plynná, kapalná i tuhá paliva. Je vyráběn v průměrech od 130mm až do 300mm (individuální výroba až do 500mm). Systém obsahuje celou řadu komponentů včetně kotvících prvků, což přináší neomezené možnosti při sestavování komínů. Jednotlivé dílce jsou podélně svařovány plazmou a ve své horní části opatřeny hrdlem výšky 60mm, které umožňuje snadné, bezpečné a pevné spoje. Pro zpevnění a statické zajištění je každý spoj fixován vnější sponou. Jednotlivé systémy BOKRA lze vzájemně kombinovat.
Charakteristika systému
- třída nerezi: 1.4404 (vnitřní), 1.4301 (vnější);
- průměr od 130mm do 300mm;
- teplota práce max. 450°C;
- tl. stěny 0,8mm (vnitřní), 0,5mm (vnější);
- tl. izolace 30mm (speciální minerální vlana s objemovou hmotností min. 100kg/m3);
- podtlakový provoz
Použití systému
- výstavba nových komínů (vnitřní i venkovní komíny);
- rodinné domy i průmysl
Přednosti systému
- vysoká kvalita;
- dlouhá životnost;
- nízká hmotnost;
- rychlá a snadná montáž;
- široká použitelnost;
- všechny typy paliv
- vhodné pro spotřebiče 5. emisní třídy
- vhodné pro moderní krbová kamna a krbové vložky
















