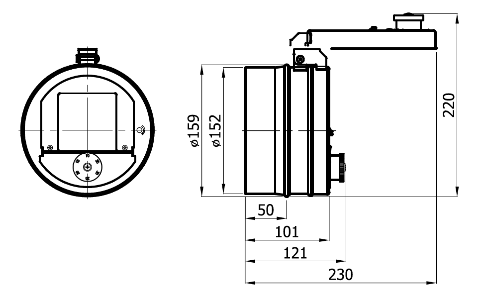
Regulátor tahu s explozivní klapou, ø 150mm
Regulátor tahu je v podstatě nerezová klapka, která pomocí své vlastní hmotnosti reguluje podtlak komína na konstantní předem nastavenou hodnotu. Pomocí závaží na klapce je možno přesunout těžiště klapky a tím regulovat komíny s různě velkým tahem. Když stoupne podtlak ve spalinové cestě, regulátor tahu se otevře a regulovatelným přívodem vzduchu se omezí podtlak na stanovenou hodnotu. Při poklesu podtlaku se regulátor tahu znovu uzavře. Takový princip zajistí konstantní podmínky pro hoření a tím celkovou úsporu energie. Nejúčinnější je regulátor tahu umístěný blízko spotřebiče. Kvůli menšímu množství sazí doporučujeme instalaci pod sopouch do neúčinné výšky.
Proč regulátor komínového tahu?
Automaticky řídí správný přívod vzduchu, takže se při spalování nespotřebovává nepotřebná energie a je zabezpečen vysoký stupeň účinnosti, protože i v klidovém stavu hořáku automatického kotle, je jinak kotli komínem odebíráno teplo.
- Spalovací prostor se optimálně ochlazuje a hořák automatického kotle startuje podstatně později.
- Přiváděný vzduch snižuje teplotu spalin během fáze spalování a chrání komínové těleso před poškozením.
- V klidovém stavu hořáku automatického kotle je komín provětráván, takže nevzniká kondenzační voda a nedochází k poškození komína.
- Pomocí energeticky úsporných regulátorů tahu odpadá "ucpání" komína během fáze zapálení.
- Tím regulátor zlepšuje spalovací reakci automatického kotle a pracuje nanejvýš hospodárně a šetří vaše peníze, které vám neutíkají komínem.
- Přídavné zařízení k nucené ventilaci komínu se ihned po vypnutí hořáku stará o dostatečné větrání komínu.
- Konstrukce a vysoká kvalita zhotovení zaručuje i za nejtvrdších podmínek použití bezporuchovou funkčnost po mnoho let.
- utěsnění v komínové zděři je možno provést keramickou šňůrou.




