Prodloužení komínu o 0,9m ø 150mm - do komínů s nerezovou vložkou
barva černá RAL 9005
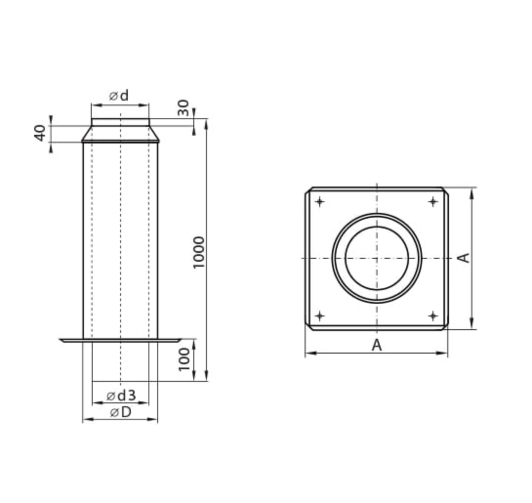
Třísložkové izolované prodloužení stávajících komínu o 0,9m v provedení nerezová vnitřní vložka - izolace a nerezový vnější plášť. Speciální izolace o síle 30mm. Vnitřní síla stěny 0,8mm, třída ušlechtilé nerez oceli 1.4521, vnější 0,5mm (1.4301) - povrchová úprava RAL 9005.
Jedná se o rychlé a elegantní řešení na nedostatečný tah komínu. Rozměr krycí desky 450x450mm.











