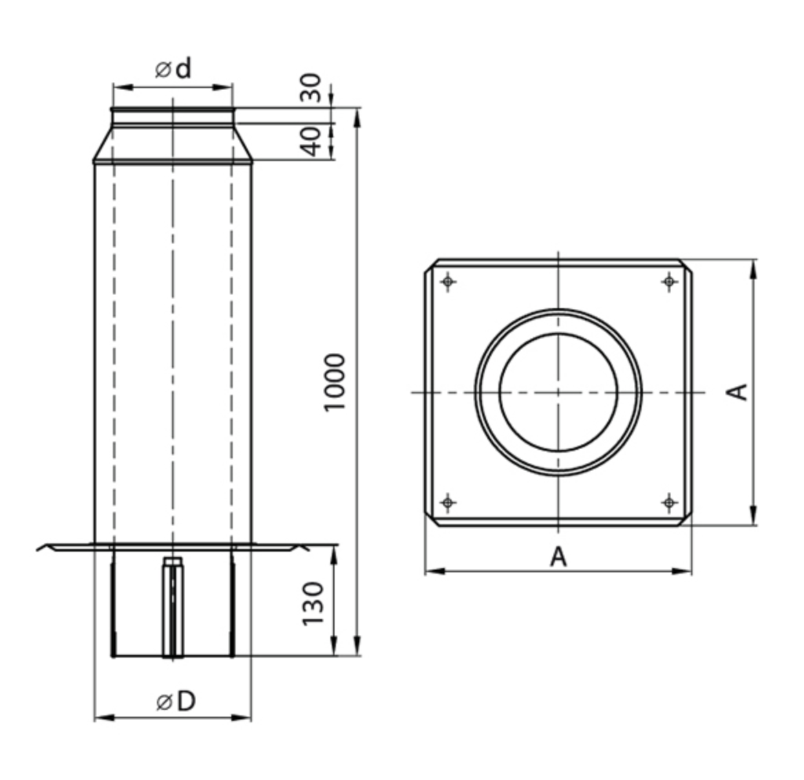
Prodloužení komínu o 0,87m - pro šamotové / keramické vložky ø 160mm
barva černá RAL 9005
Třísložkové izolované prodloužení stávajících komínu o 0,87m v provedení nerezová vnitřní vložka - izolace a nerezový vnější plášť. Speciální izolace o síle 30mm. Síla vnitřní stěny 0,8mm, třída ušlechtilé nerez oceli 1.4521, vnější 0,5mm (1.4301) - povrchová úprava RAL 9005.
Jedná se o rychlé a elegantní řešení na nedostatečný tah komínu.














