- Kvalitní ocelová krbová vložka.
- Pokročilá konstrukce zahrnuje vestavěný přívod vzduchu ø 125mm, který zajišťuje efektivní spalování dřeva.
- Regulace přívodu vzduchu se provádí pomocí sady klapek s jedním regulátorem umístěným pod dvířky.
- Vložka využívá systém přívodu vzduchu se třemi spalovacími komorami.
- Pod rošt je přiváděn primární vzduch, který usnadňuje zapalování dřeva. Sekundární vzduch - zajišťující ekonomické a ekologické spalování - je přiváděn otvory v zadní stěně.
- Vložka navíc využívá systém čistého skla (vzduchová clona), tedy vzduch je přiváděn přímo ke sklu. Díky systému čistého skla dochází k omezenému usazování sazí. Vzduchová clona odděluje sklo od krbu. Díky tomu se nešpiní a propouští do místnosti více tepla.
- Krbová vložka má vestavěný popelník.
- Speciální perforovaný design madla dvířek chrání před nadměrným ohřevem, což zvyšuje komfort používání krbu.
- Dekorativní sklo s potiskem.
- Stavitelné nohy pro vyrovnání.
- Zařízení splňuje požadavky Ecodesignu a normy BImSchV 2, což zajišťuje minimalizaci emisí CO.
- Kratki řada PRO - 10 let záruka.
TECHNICKÉ PARAMETRY:
- Výkon jmenovitý: 12 kW
- Výkon regulovatelný: 10 - 14 kW
- Materiál: Ocel
- Účinnost: 85 %
- Průměrná teplota spalin: 260°C
- Průměr kouřovodu: 200 mm
- Shoda s normou ECODESIGN: Ano
- Shoda s normou BImSchV 2: Ano
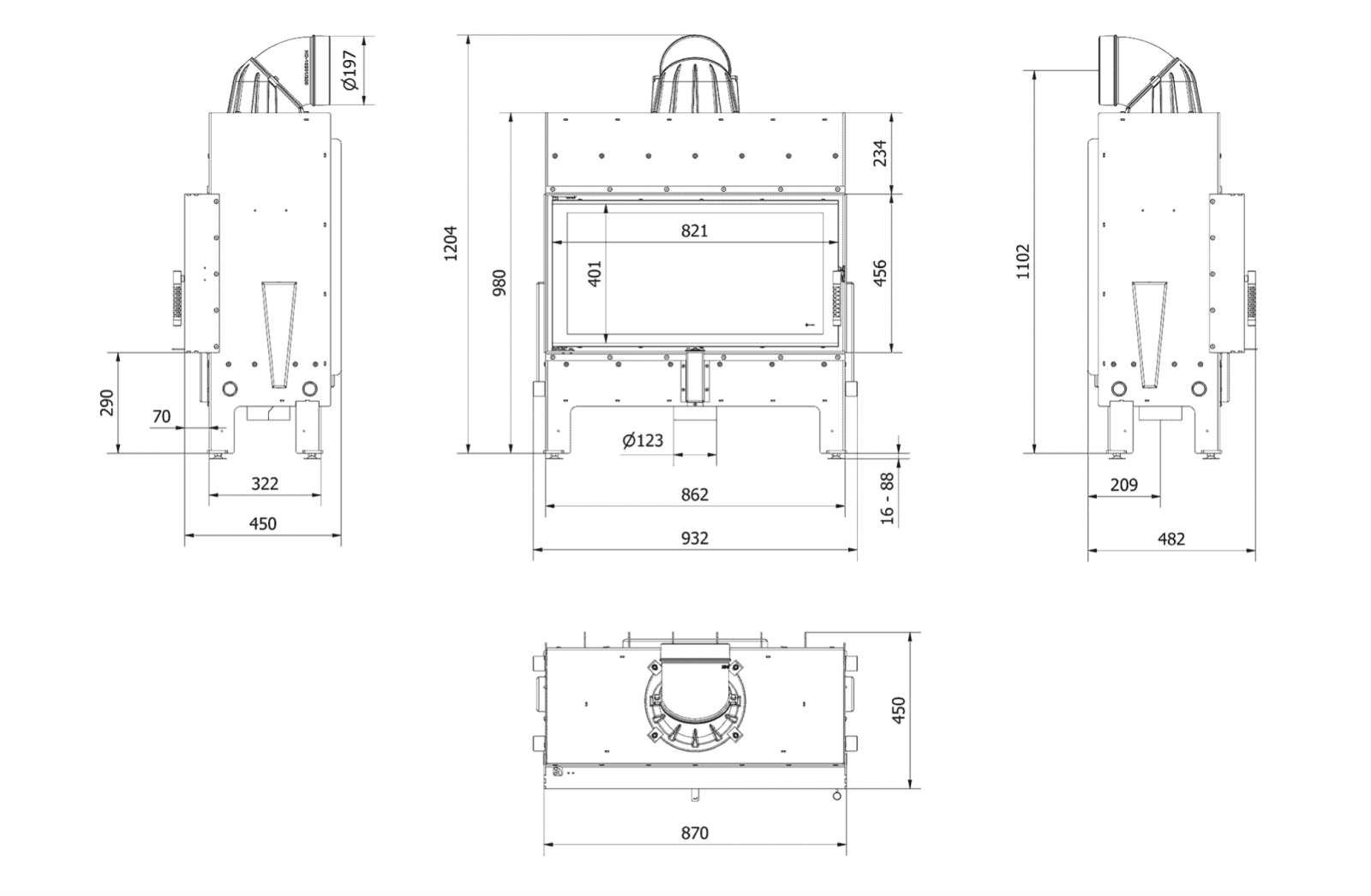
ROZMĚRY:
- Váha: 174,86 kg
- Výška: 129,7 cm
- Hloubka: 48,62 cm
- Šířka: 93,2 cm
- Prosklení: rovné












