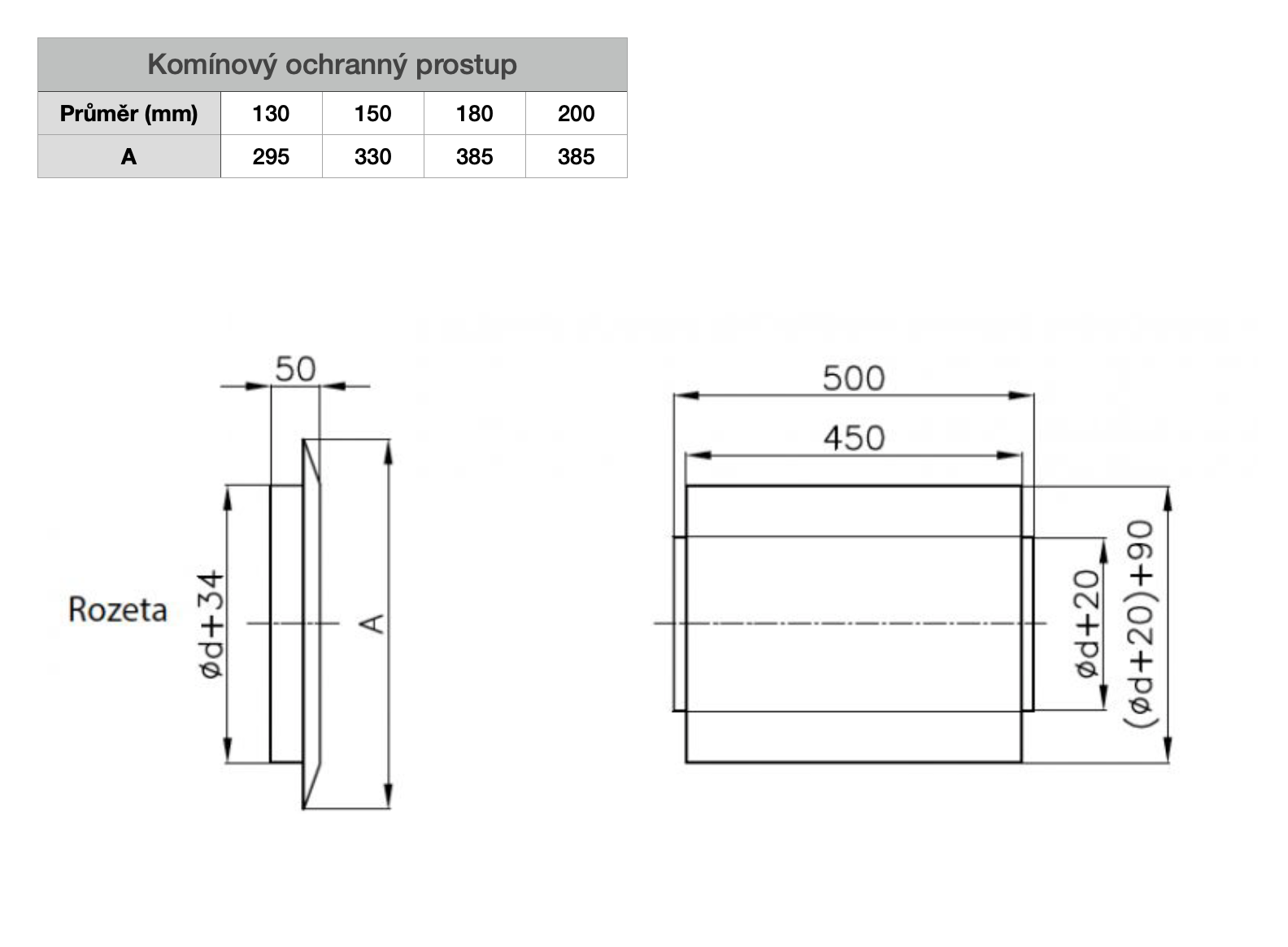
Komínový ochranný prostup pro průměr 180mm
je možné použít v případě kdy je spotřebič v jedné místnosti a komín v místnosti druhé. Používá se jako ochranný prvek v místě prostupu kouřovodu nehořlavou konstrukcí stěny. Zabraňuje nadměrnému přenosu tepla do této konstrukce.
Komínová vložka nebo kouřovod se nenapojuje, ale prochází tímto pouzdrem. Pouzdrou má délku 0,5m, lze jej libovolně zkracovat.
Kominový ochranný prostup se skládá ze dvou nerezových plášťů a izolace z minerální vlny o tloušťce 50mm. Součástí jsou 2 krycí rozety a nehořlavý provazec s délkou 2m, který slouží k vystředění kouřovodu v tomto prostupu.
Pozor:
- Vnitřní průměr komínového ochranného prostupu je 200mm.
- Nenahrazuje protipožární prostup.
- Není určeno k použití do obvodové stěny.






