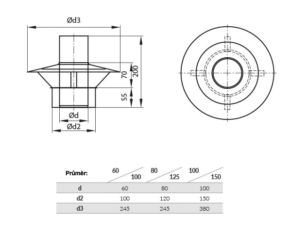
Systém Bokra KOAXIAL Turbo
koaxiální nerezový komínový systém (tzv. trubka v trubce) určený pro přetlakový provoz pro kondenzační a turbo kotle. Vnitřní potrubí je určeno k odvodu spalin, potrubí vnější slouží k přívodu vzduchu ke spalování. Systém je vhodný jak pro rekonstrukci stávajících komínových těles, konstrukci kouřovodů, ale i nových komínů. Systém je standardně dodáván v průměru 60/100mm, 80/125mm a 100/150mm. Široký sortiment tvarovek umožňuje sestavovat komínová tělesa libovolných průměrů, výšek i tvarů. Jednotlivé dílce jsou podélně svařovány plazmou a ve své horní části opatřeny hrdlem se speciálním těsněním, které umožňuje snadné, bezpečné, těsné a pevné spoje. Jednotlivé systémy BOKRA Turbo lze vzájemně kombinovat.
Charakteristika systému
- tř. nerezi: 1.4404;
- průměr 60/100mm, 80/125mm, 100/150mm;
- teplota práce max. 200°C;
- tl. stěny 0,5mm;
- přetlakový provoz.
Použití systému
- rekonstrukce (vložkování) stavajících komínů, nové komíny;
- kotle s přetlakovým provozem.
Přednosti systému
- vysoká kvalita;
- dlouhá životnost;
- nízká hmotnost;
- rychlá a snadná montáž;
- široká použitelnost;
- variabilita.









