Ke každé krbové vložce je nutné dopokoupit rámeček, popřípadě je možné dokoupit akumulační sady.
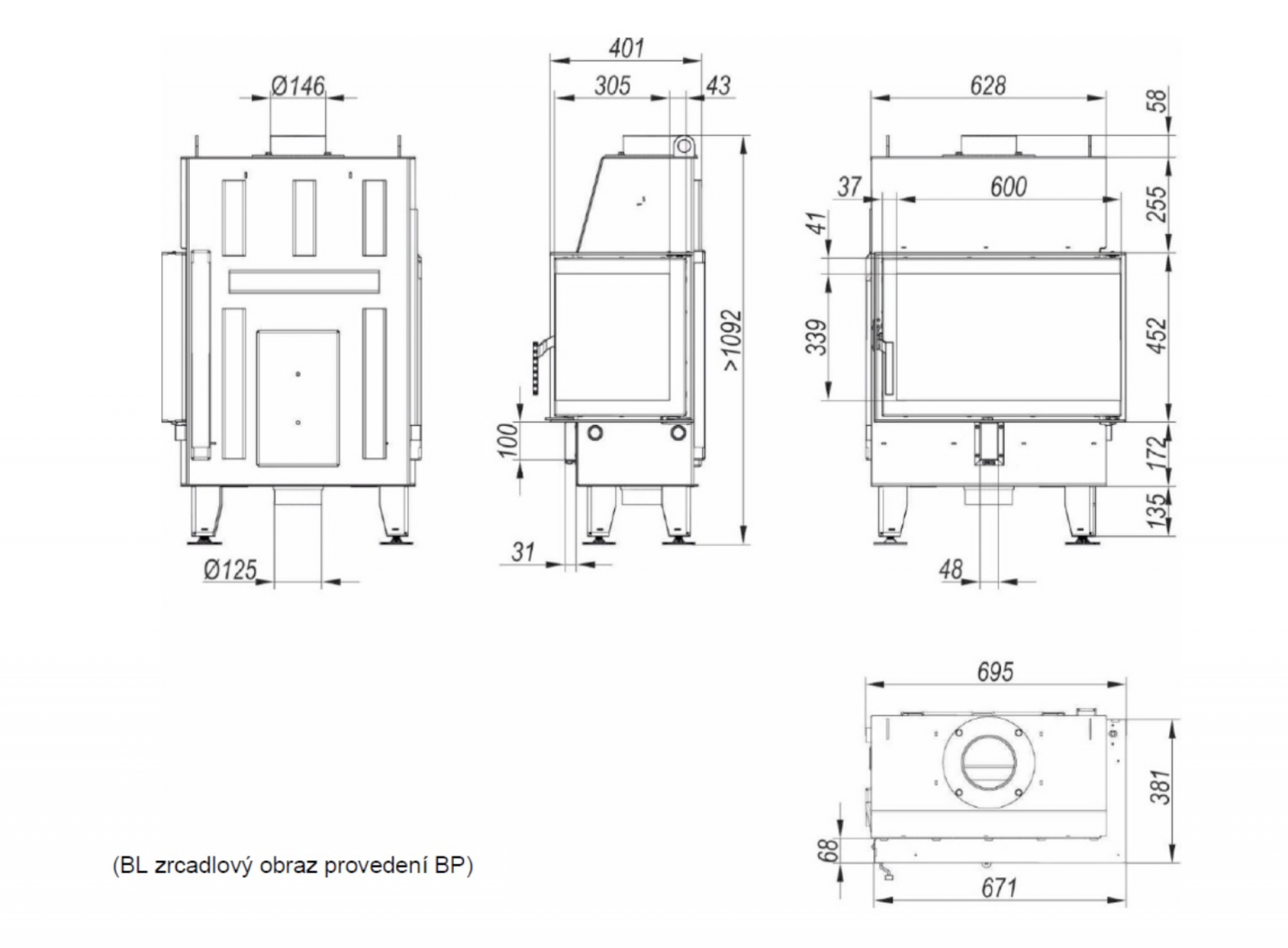
Popis krbové vložky
- menší zástavbová hloubka
- ocelový rám dveří klasického designu
- je určena pro konvekční provoz
- určena i pro nízkoenergetické stavby
- centrální přívod vzduchu
- Multiflow - patentované řešení dodávání vzduchupro spalování
- propracovaný systém oplachu skla
- topeniště z masivního akumulačního materiálu vyztužené speciálními ocelovými drátky
- splňuje normy: Blmsch V Stufe2 a předpoklady programu Eko design
- stavitelné nožky - rozsah nastavitelných nožičekod 0 do 100 mm
Zazdívací rámy
Moderní ocelové zazdívací rámy pro krbové vložky vám umožňují snadno dokončit spojení obestavby vložky s dvířky krbové vložky. Hlavní výhodou rámu je možnost rychlé a snadné instalace. Instalaci panelu můžete provést bez nutnosti speciálních nástrojů.
Ozdobný rám je natřen barvou odolnou vůči vysokým teplotám, odpovídající barvě vložky, což znamená, že celek dokonale ladí, vypadá esteticky a velmi elegantně.
|
Jmenovitý výkon |
6 kW |
|
Rozsah výkonu |
2,5 - 7,6 kW |
|
Třída energetické účinnosti |
A |
|
Průměr kouřovodu |
150 mm |
|
Účinnost |
81,6 % |
|
Teplota spalin |
236 °C |
|
Komínový tah |
12±2 Pa |
|
Maximální délka polen |
500 mm |
|
Hmotnost |
143 kg |










